Чтобы запросить цену ниже, укажите номер телефона и e-mail.
All other data you can tell the manager.
Smartec ST-PR011EM-BK считыватель em-marine
Считыватель proxi-карт EM, интерфейс Wiegand 26 Расстояние считывания - до 3-8 см
Производитель
Цвет корпуса
Интерфейс связи
Способ монтажа
Тип устройства
Напряжение питания
Расстояние считывания
Место установки
Материал корпуса
Стандарт идентификаторов

Smartec ST-PR011EM-BK считыватель proxi-карт EM, интерфейс Wiegand 26. Расстояние считывания - до 3-8 см. Считыватель поддерживает дистанционную идентификацию пользователей, имеет звуковую и световую индикацию состояния работы. Цвет корпуса - черный.
- Дистанционная идентификация пользователей
- Миниатюрный дизайн
- Считыватель поддерживает проксимити карты формата EM
- Световая и звуковая индикация
- Влаго/пылезащищенный корпус
Считыватель ST-PR011EM-BK предназначен для работы в составе системы контроля доступа с проксимити картами формата EM и идеально подходит для бюджетных решений с высокими требованиями к надежности. Благодаря особому конструктивному исполнению, этот считыватель может эксплуатироваться, как в помещении, так и на улице. Его прочный пластиковый корпус и защищенная компаундом электронная часть обеспечивают работоспособность в любых погодных условиях, а также высокий уровень вандалозащищенности. Считыватель имеет выход Виганд 26 / 34, что гарантирует его совместимость с любой системой контроля доступа, поддерживающей формат Виганд.
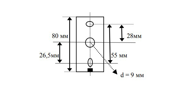
Схема монтажа Smartec ST-PR011EM-BK:

Установка считывателя
- Выберете подходящее место для установки.
- Снимите считыватель с монтажного основания, вывинтив винт расположенный снизу считывателя.
- Приложите основание считывателя к монтажной поверхности и выполните разметку для сверловки.
- Просверлите два отверстия под крепёжные винты и одно отверстие для кабеля.
- Проложите кабель от считывателя до контроллера.
- Закрепите монтажное основание считывателя.
- Выполните подключение считывателя в соответствии с цветовой маркировкой.
- Установите считыватель на монтажное основание и зафиксируйте его винтом.
Купить Smartec ST-PR011EM-BK в интернет-магазине СЕК-ГРУПП в Москве: Черницынский проезд, д.3, стр.1 (метро Щелковская). Доставка по России.

До ТК (СДЭК, ПЭК, Деловые Линии) - 0 Р
Остальные транспортные компании - 1000 Р
Заказы от 60 000 Р (по ценам сайта) - 0 Р
В пределах МКАД заказы стоимость > 5 000 руб. и < 2 кг - 750 руб., > 2 кг составляет 1000 руб.
Негабарит МКАД - 1300 Р (более 5 метров - 2000 Р)
За МКАД - 1000 Р + 90Р/км
Негабарит за МКАД - 1300Р + 110Р/км (более 5 метров - 2000 Р + 110Р/км)
г. Москва, Черницынский пр-д, д. 3 стр. 1. метро Щелковская
г. Уфа, ул. Трамвайная, д. 2 оф. 1-02
Мы правильно определили ваш город?
Оплата осуществляется путем банковского перевода денежных средств с расчетного счета покупателя на наш расчетный счет.
Счет выставляется по запросу в печатном или электронном виде. Счет действителен в течении 3-х банковских дней за исключением оборудования производства компании PERCo.
Оплата наличными производится в офисах компании при получении товара со склада по адресам:
- г. Москва, Черницынский проезд, д.3, стр.3
- г. Уфа, Трамвайная улица, д.2, офис 1-02
Стоимость заказа передаётся водителю компании при получении товара.













